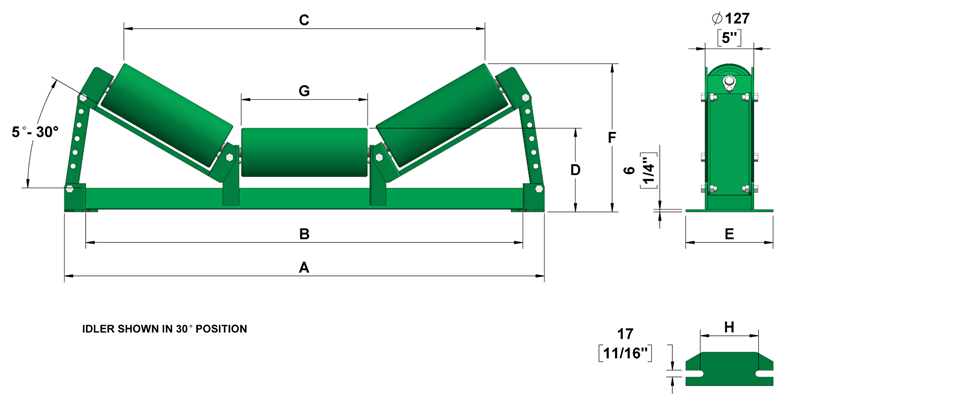
30,000 Series – STATION SUPÉRIEURE, TYPE AUGE RÉGLABLE

Vous cherchez plus d’informations ?

Contactez-nous pour un devis gratuit et profitez de notre vaste expérience intersectorielle dans la manipulation de matériaux en vrac.